SOMMAIRE : 

- hommage D. Bernard et P. Paty

- programme de colle

- PDF d’aide sur la démodulation par détection de crête, dite asynchrone

- programme officiel

- planning de la semaine

- Hommage Hubert REEVES

-  compléments sur le cours de lundi sur la diffusion de charges

- exemple de température de flamme

- programme des conférences de cette année au lycée

- exercice sur le calcul de résistance

WebMaster : O.GRAS

Enseignant Sc. Physiques CPGE spé PSI

Création du site :1er juin 2020

Mise à jour : 10 janvier 2026

Semaine 42 du 13 au 19 octobre 2025

Mardi 11h30 au lycée 

                   Programme 5 de colle de Physique-Chimie :

SAVOIR : 

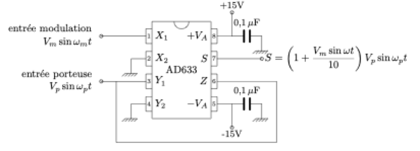
a) Modulation d'amplitude par utilisation d'un multiplieur, étude du spectre de Fourier associé, doublet et triplet, démodulation d'amplitude par utilisation d'un multiplieur (juste citer rapidement la détection asynchrone avec diode = détection de crêtes), conséquence sur le spectre de Fourier

b) champ électrique E, Coulomb, calcul direct de E dans des cas simples, circulation, potentiel électrique, opérateurs gradient et rotationnel, loi \vec E = -  \vec grad ( V ) puis équation de Maxwell réduite \vec rot (\vec E) = 0

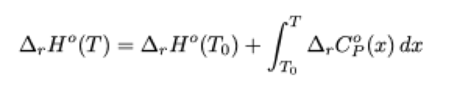
- on ajoute en chimie : utilisation de la loi de Kirchhoff  pour calculer l'enthalpie de réaction standard à une autre température que 298K, cas d'une température de flamme; idem Kirchhoff avec S

c) calcul de champ E : direct (exemples très très simples), avec V (exemples très simples), avec surtout le th de GAUSS : uniquement pour des sphères

Démodulation

Démodulation par détection synchrone avec 2e multiplieur

Modulation d’amplitude avec ou sans porteuse

Démodulation par détection de crêtes avec diode, R et C

Questions de cours pour la colle

Les 6 questions de cours : 

1 - mélange d’un ion métallique M et de son ligand L et calcul des concentrations dans le cas d’un complexe ML. Exemples d’espèces chimiques. 

2 - démodulation d'un signal sinusoïdal modulé en amplitude "avec porteuse" : calcul du spectre du signal démodulé après avoir exprimé la composition du spectre du signal modulé initial. (poly 6 : 3-2,  2e cas) 

3- conditions d’oscillation pour l’oscillateur à pont de Wien

4- résistances d’entrée des montages à ALI ampli inverseur et non inverseur, après avoir démontré les fonctions de transfert

5- modification de l’équation différentielle en tension de sortie pour un ALI avec rétroaction négative: en déduire que le système bouclé est instable (poly 3  §3.3)

6 - modulation d'un signal sinusoïdal en amplitude "sans porteuse" : calcul du spectre du signal modulé (poly 6 : 1.4)


Modulation : indications sur la détection de crête dite ASYNCHRONE

Pas explicitement au programme mais demandé souvent en comparaison de la détection synchrone

Programme officiel PSI

Physique-Chimie-TIPE- TP-Python

Corrigé du 

DS 1

Dipôles




lundi 10h à 11h00 :  

Poly 8 : GAUSS pour les autres cas que la sphère

Poly 8-bis : dipôles électrostatiques


Cours + TD 




mardi 10h00 à 11h30

PHYSIQUE = Poly 9 : courant électrique - cas local
Cours + TD 







  • mercredi 8h-12h : TD-TP SII/Physique





  • mercredi 12h-13h //

  • mercredi 14h-16h : TIPE





  • mercredi 16h-18h : COURS.
    Poly 10 : cas des condensateurs







  • jeudi 10h-11h30 : COURS de CHIMIE 

Suite : Thermochimie


  • jeudi 11h30-11h40 : Interro 5 (sur le programme de colle de cette semaine)



Hommage scientifique : il a tant bercé depuis 1987 mes balades astronomiques…

Décédé le 13 octobre 2023

Rappel sur la modulation AM : 

modulation : 

démodulation : 

Température de flamme : exemple 

Température de flamme : exemple du cours  

Programme des conférences  « miroir »

Exercices sur les cours de la semaine : 

Exercice sur le vecteur densité de courant de charges : 

Exercice sur le vecteur densité de courant de charges : 2e méthode pour le cas 2

TD de thermochimie : 

sdfd bleus sqfsf fehfmjq bvvcSite réalisé sur MBProhkqdfks psd qf qfgqshfdhjt thtjt

Sparkle + code HTML 5 pur + Site personnel + Hubic + OVH

+ LaTeX (MacTeX) + TiKZ + iMovie + Audacity + Blender

Lorem ipsum dolor sit amet, consectetur adipiscing elit. Aliquam tincidunt lorem enim, eget fringilla turpis congue vitae.