Semaine 40 du 29 septembre au 5 octobre 2025

WebMaster : O.GRAS

Enseignant Sc. Physiques CPGE spé PSI

Création du site :1er juin 2020

Mise à jour : 10 janvier 2026

SOMMAIRE : 

- programme de colle

- programme officiel

- planning de la semaine 

- prendre des notes avec formules : Overleaf, Notion, Obsidian  et Joplin

-  TIPE drôle : attention aux sites de fausse science

- Poly 6 

- TP sur la modulation

- calendrier des concours : à venir

-  

- exo 3 sur échantillonnage


                   Programme 3 de colle de Physique-Chimie :

SAVOIR : 

bien savoir qu’un ALI est défini par une résistance d’entrée infinie, une résistance de sortie nulle, une fonction de transfert du premier ordre en régime linéaire, une saturation de la tension de sortie, une saturation de l’intensité de sortie

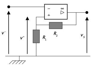
  • connaître les montages inverseur, non inverseur, suiveur (expliquer l’avantage en terme de puissance), additionneur, soustracteur, intégrateur, déviateur.
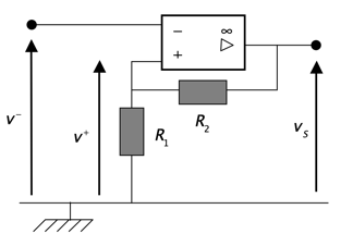
  • connaître les schémas des montages saturés dits « comparateur simple » ou « comparateur à hysteresis » (dits Trigger de Schmidt) en version inverseur ou non inverseur.

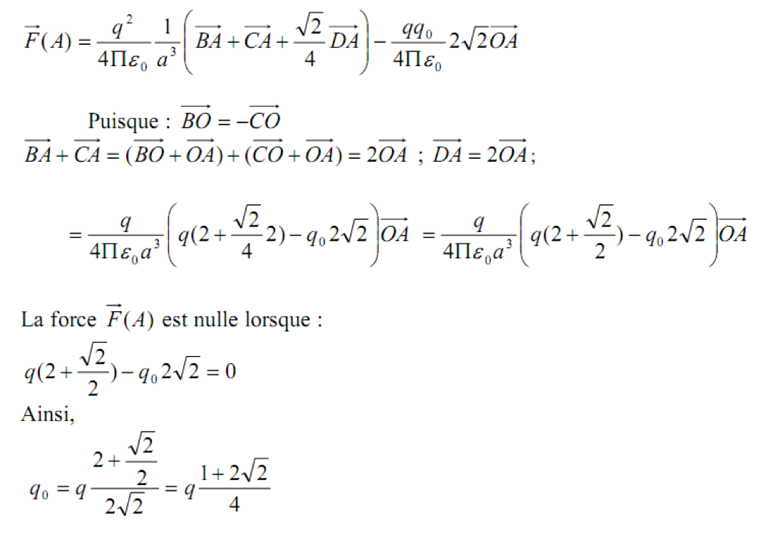
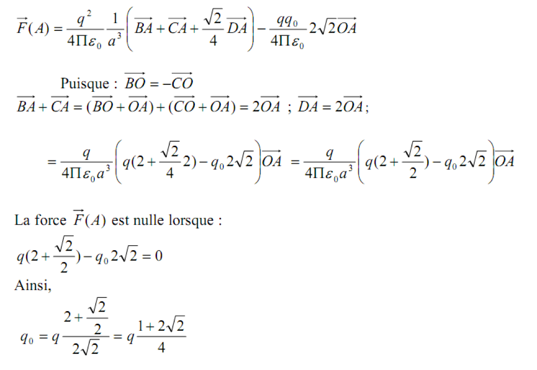
  • savoir trouver la relation entre tension(s) d’entrée et de sortie grâce à l’écriture d’une loi des noeuds

  • Attention : vous n’avez pas le droit à la formule directe de Millman 
  • savoir passer de la notation complexe à l’équation différentielle
  • connaître l’utilisation d’un modèle passe-bas pour l’ALI 
  • savoir discuter de la stabilité d’un système grâce à l’équation différentielle : tous les signes identiques pour la stabilité d’un 2e ordre
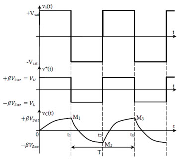
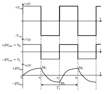
  • connaître l’équation différentielle et la démonstration de la caractéristique d’un comparateur à hysteresis. Ci-dessous le cas d’un inverseur 
  • Intérêt d’une impédance d’entrée infinie = pouvoir se connecter à la sortie d’un filtre passif sans modifier sa fonction de transfert 
  • Intérêt d’une impédance de sortie nulle = pouvoir se connecter à l’entrée d’un filtre sans le perturber 
  • Oscillateur quasi-sinusoïdal de Wien :  filtre passe-bande et un ampli non inverseur
  • Pour tout autre oscillateur quasi-sinusoïdal, on associe un filtre et un amplificateur et on résout H H2 = 1 pour trouver la fréquence
  • Oscillateurs à relaxation : exemple d’un comparateur non inverseur + intégrateur inverseur (un classique avec les ALI). On peut avoir comparateur inverseur + intégrateur non inverseur. Savoir retrouver les équations temporelles.  On trouve donc un signal créneau +15 ou -15V en sortie du comparateur et un triangle en sortie de l’intégrateur.
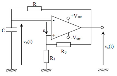
  • Oscillateur à relaxation « compacté »   : on trouve donc un signal créneau +15 ou -15V en sortie du comparateur et un signal en exponentielles croissante-décroissante aux bornes du condensateur.
  • Oscillateur à résistance négative :
    Point de départ = circuit RLC avec amortissement, puis ajout d’un montage à résistance négative -R pour obtenir un oscillateur harmonique (car l’équation différentielle n’a plus de terme en dérivée simple, mais juste double)
  • CHIMIE : les complexes en solution  
  • Numérisation à N bits, pas de numérisation
  • Acquisition : spectre de Fourier d’un signal avec 1) échantillonnage ponctuel avec apparition de pics symétriquement autour des fréquences N x fe ,  2) échantillonnage de largeur non nulle et apparition d’une enveloppe en sinus cardinal, 3) critère de Shannon, 
  • « repliement de spectre » 
  • PAS ENCORE LES FILTRES NUMERIQUES

« Images » associées : 

Questions de cours pour la colle

1- résistances d’entrée des montages à ALI ampli inverseur et non inverseur, après avoir démontré les fonctions de transfert

2- calcul du pH d'une solution d'une concentration c de base B dans l'eau pure, pour une constante Ka faible pour le couple acide-base A/B

3- oscillateur à relaxation + tracé (en précisant quel bloc est non inverseur)

4- oscillateur quasi-sinusoïdal + action dans un spectre de Fourier + tracé

5- critère de Shannon : démonstration et exemple d’un cas où il n’est pas respecté

6- effet d'un échantillonnage sur le spectre de Fourier d’un signal initial (poly 5, §2.6) sinusoïdal ou pas

Programme officiel PSI

Chapitres précédents : voir sur la page de la semaine 39

(Hors colle 3, c’est fait lundi 29)

Physique-Chimie-TIPE- TP-Python

Election des délégués 

Election des délégués

Cliquez pour

Le 1er tour

Cliquez pour

Le 2e tour

Cliquez pour

Le vote

Election des éco-délégués

Prendre des notes avec formules, rédiger un TP,  un TIPE

Pour faire des textes/PDF/liens pour les TIPE ou les compte-rendus de TP. Il existe bien d’autres solutions. Mais celles-ci sont simples.


Je rappelle que je vous ai cité LaTeX en ligne avec la version non payante de Overleaf :

https://fr.overleaf.com



Pour des tests, il y a en ligne également : https://magis-maths.com/editeur/latex/


Maintenant, vous avez aussi sur ordinateur ou téléphone des éditeurs de prise de notes qui mélangent le MarkDown et Latex (ou plus précisément KaTeX) : 

1) NOTION : prise de notes, mise en ligne, PDF, synchronisation, formules, images, … dont une version simple est gratuite. Inscription par e-mail.

2) JOBLIN : version gratuite sauf le partage par serveur.

3) OBSIDIAN : version gratuite accessible, mais synchronisation et publication payants

OVERLEAF

NOTION

JOBLIN

OBSIDIAN

Attention aux sources Biblio « étranges » …. Donc attention pour vos TIPE

A lire jusqu’au bout… :-)

Pour démystifier un autre cas : 

Calendrier des écrits 2025 : en attente

Exercice sur l’échantillonnage

Exercices corrigés :