WebMaster : O.GRAS

Enseignant Sc. Physiques CPGE spé PSI

Création du site :1er juin 2020

Mise à jour : 10 janvier 2026

Poly 6 : multiplieur

Poly 5 : numérisation

SOMMAIRE : 

- planning de la semaine 

- programme de colle

- programme officiel

-  

- poly 5  numérisation en PDF

- poly 6


- exemples de résistances d’entrée 

- corrections et complément poly 4 sur la période de l’oscillateur et sur l’oscillateur compacté


- PYTHONTUTOR pour lancer des tests de programmation en ligne, même depuis votre téléphone


- vote des délégués



-  compléments à ajouter dans la semaine 

Semaine 39 du 22 au 28  septembre  2025

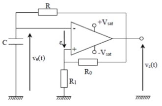
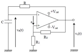
Rappel: 2e cas d’un comparateur à hysteresis

(Poly 3)

Physique-Chimie-TIPE- TP-Python

Planning de la semaine

mercredi 13h-14h

en libre accès en C110:«Club Robotique et Sciences Frugales» pour choisir ce qui pourra vous aider dans votre TIPE (capteurs, Arduino, démontage de matériel pour récupérer des composants, robotique de base, reconnaissance d’image ou de forme…) 




mercredi 16h-18h : COURS Physique (poly 6) 

Multiplieur = démodulation AM



mercredi 14h-16h : TIPE

Elections délégués.


début des montages pour chaque sujet + recherches Biblio + manipulations avec les matériel du labo



jeudi 10h-11h30COURS de physique 

COURS Physique (poly 6) 

Multiplieur = démodulation AM


 + Interro 2


lundi 22 de 9h à 11h00 :PHYSIQUE C110 = fin du poly 4 sur les oscillateurs = cas des oscillateurs quasi-sinusoïdaux

+ COURS Physique (poly 5) 

Numérisation et filtrage numérique

                                    



mardi 23 de  10h00 à 11h30 : cours de CHIMIE C110 

Suite du cours sur la chimie des solutions



mercredi 8h-12h : TP SII/Physique 

Fin du TP sur les ALI : mesures personnelles





Programme de colle 2 

SAVOIR : 

- savoir discuter de la stabilité d’un système grâce à l’équation différentielle : tous les signes identiques pour la stabilité d’un 2e ordre

- connaître l’équation différentielle et la démonstration de la caractéristique d’un comparateur à hysteresis. Ci-dessous le cas d’un inverseur 




- Intérêt d’une impédance d’entrée infinie = pouvoir se connecter à la sortie d’un filtre passif sans modifier sa fonction de transfert 

- Intérêt d’une impédance de sortie nulle = pouvoir se connecter à l’entrée d’un filtre sans le perturber 

-


- Oscillateurs à relaxation : exemple d’un comparateur non inverseur + intégrateur inverseur (un classique avec les ALI). On peut avoir comparateur inverseur + intégrateur non inverseur. Savoir retrouver les équations temporelles.On trouve donc un signal créneau +15 ou -15V en sortie du comparateur et un triangle en sortie de l’intégrateur.





- Oscillateur à relaxation «compacté» : on trouve donc un signal créneau +15 ou -15V en sortie du comparateur et un signal en exponentielles croissante-décroissante aux bornes du condensateur.







- Chimie : vu en 1ere année : pH métrie (mélanges, dosages)

Questions de cours : énoncé. + démonstration rapide obligatoire


1 - piège du diviseur de tension : le cas de deux RC qui se suivent 


2- calcul rapide de la période T d’un oscillateur de type multivibrateur astable (poly 4, § 2.1)


3- Montage soustracteur à ALI


4- résistances d’entrée des montages à ALI ampli inverseur et non inverseur, après avoir démontré les fonctions de transfert


5- modification de l’équation différentielle en tension de sortie pour un ALI avec rétroaction négative: en déduire si le système bouclé est instable ou pas (poly 3  §3.3)

6- intérêt du suiveur : montrer que la puissance transmise à une résistance de charge est plus grande avec le suiveur que sans lui (poly 3 § 6.1)

AIDE — Résistances d’entrée de montages à ALI : propriétés

COURS poly 4 sur l’oscillateur de relaxation compact 

Méthode rapide réécrite

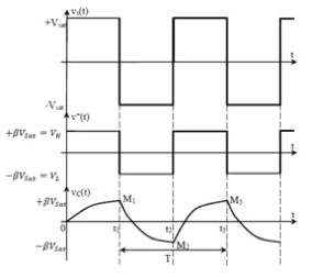
Oscillateur compacté

Autres exemples sur la thermochimie :

Python : pensez à utiliser PYTHONTUTOR pour suivre pas-à-pas vos programmes

Lien vers PythonTutor avec les fonctions définies ci-dessus 

Utilisez PythonTutor pour faire du «traçage» de vos programmes simples afin de faire afficher pas à pas les liens, valeurs retournées, remplissage des listes ou des variables… ça permet d’y voir plus clair

Election des délégués : peut-être la semaine prochaine ? 

Cliquez pour

Voter

AIDE — TD de chimie

Exemple d’oscillateur quasi-sinusoïdal

AIDE — TD de chimie

Autre exemple d’oscillateur quasi-sinusoïdal : le réseau déphaseur

AUTRE OSCILLATEUR DE RELAXATION Plus difficile : en option

Poly 4  :  Période d’un oscillateur à relaxation « COMPACTÉ »

Ch 5 : Acquisition

En résumé, pour un échantillonnage à la fréquence Fe, l’acquisition dédouble le spectre autour des fréquences de valeurs m.Fe , avec m entier relatif. Mais la « largeur » des pics d’échantillonnage implique une modulation (« atténuation ») en valeur absolue de sinus cardinal.

Et si la largeur des pics est la période Te d’échantillonnage, les zéros de la fonction sinus cardinal « bien placés » permettent d’atténuer beaucoup les pics dédoublés autour de m.Fe, ce qui veut dire que le signal « en escalier » est très proche du signal de départ.

Exemple avec échantillonneur-bloqueur: comprenez les paliers et les seuils de conversion

Oscillateur : exemple supplémentaire en changeant de filtre passe-bande

On change simplement le type de filtre : ici on cherche à comprendre directement en écrivant l’équation différentielle

Correction : 

Filtre passe-haut numérique  (passe-bas vu en cours)

Filtre passe-bas numérique : rôle sur un signal

Code Python

Effet du filtre sur le signal d’entrée bleu :
atténuation de l’amplitude de la haute fréquence

Poly 5 : critère de Shannon

Oscillateur : 3e cas = oscillateur à résistance négative